Samplers Product description SCX series sampler designed and manufactured with UOP technology is used for non-leakage sampling of middle-and low pressure toxic, combustible and explosive gas and liquid medium in petroleum and chemical engineering piping system. The sampler features real sampling, high accuracy, no leakage liquor and residual gas relief, thus preventing risks to operator by toxic and harmful gas and environment and any dangerous accident caused by combustible and explosive gas during sapling operation. The sampler series fully meets with the requirements of environment protection, fire and explosion prevention of our country. SCX series samplers have been widely used in petroleum chemical equipment of our country for hydrogen addition to residual oil, heavy oil catalysis and gas separation, which win good evaluation from the customers. SCX series samplers manufactured by our company mainly consist of two types: SCXL on-line sampler and SCXM closed sampler. The main material of samplers is 1cr18Ni9Ti or oCr18Ni9Ti. 1、SCXL on-line sampler ■ Structural features SCXL on-line sampler mainly consists of emergency valve, driving screw, valve shaft, screw support, handle, trunk piston, outlet tube sealing padding and connecting flange. The trunk piston passes through the valve shaft and flange, which eliminates residual gas (liquor) leakage and blocking case of condensation.
■ Application scope and method ① SCXL –IA liquid on-line sampler ◎ Application scope SCXL–IA liquid on-line sampler is suitable to sampling of viscosity liquid without strong erosion; Operating temperature: -20~200 oC, Working pressure: 0~6.4 Mpa ◎ Application method (1) Put the sampling bottle aligning with the outlet of the container; (2) Rotate the handle of sampler in counter-clockwise direction till liquor flowing out; (3) When terminating sampling, rotate the handle of sampler in clockwise direction till the screw fully into position. ◎ Type and parameters
|
Type |
Specifications |
Connecting mode |
Sketch of installation |
|
SCXL_IA_W |
DN20 PN1.6;PN2.5 PN4.0;PN6.4 PN2.0;PN5.0 |
Welding connection |
|
|
SCXL_IA_F |
DN20 PN1.6;PN2.5 PN4.0;PN6.4 PN2.0;PN5.0 |
Flange connection |
| ② SCXL –IB Liquid on-line sampler ◎ Application scope SCXL –IB Liquid on-line sampler is suitable to sampling of viscosity liquid without strong erosion and can be used as relief valve and check valve. Operating temperature: -20~450oC,Working pressure: 0~6.4 Mpa ◎ Application method (1) Put the sampling bottle align with the outlet of the container; (2) Rotate the handle of sampler in counter-clockwise direction till liquor flowing out; (3)When terminating sampling, rotate the handle of sampler in clockwise direction till the screw fully into position. ◎ Type and parameters
|
Type |
Specifications |
Connecting mode |
Sketch of installation |
|
SCXL_IB_W |
DN20 PN1.6;PN2.2 PN4.0;PN6.4 PN2.0;PN5.0 |
Welding connection |
|
|
SCXL_IB_F |
DN20 PN1.6;PN2.5 PN4.0;PN6.4 PN2.0;PN5.0 |
Flange connection |
| ③SCXL –IC Liquid on-line sampler ◎ Application scope SCXL –IB Liquid on-line sampler is suitable to sampling of viscosity liquid with strong erosion combustible features. Operating temperature: -20~425 oC,Working pressure: 0~6.4 Mpa ◎ Application method (1) Connect the cooler inlet of the sampler with the cooling liquor; (2) Align the bottle neck with the discharge orifice (3) Rotate the handle of sampler in counter-clockwise direction till liquor flowing out; (4) When terminating sampling, rotate the handle of sampler in clockwise direction till the screw fully into position. ◎ Type and parameters
|
Type |
Specifications |
Connecting mode |
Sketch of installation |
|
SCXL_IC_W |
DN20 PN1.6;PN2.2 PN4.0;PN6.4 PN2.0;PN5.0 |
Welding connection |
|
|
SCXL_IC_F |
DN20 PN1.6;PN2.5 PN4.0;PN6.4 PN2.0;PN5.0 |
Flange connection |
| ④SCXL –II gas on-line sampler ◎ Application scope SCXL –II Liquid on-line sampler is suitable to sampling of viscosity liquid free of grains, condensation and crystallization features. Operating temperature: -20~425oC,Working pressure: 0~6.4 Mpa ◎ Application method (1) Plug the sampling tube of the gas bag into the sampling head of the sampler; (2) Rotate the handle of sampler in counter-clockwise direction into the sampling head of the sampler; after sampling, rotate the handle of sampler in clockwise direction till the screw fully into position. (3) After sealing the charging tube of the storage bag, move up the locking sleeve on the sampling head so as to make the tube out off the sampling head. ◎ Type and parameters
|
Type |
Specifications |
Connecting mode |
Sketch of installation |
|
SCXL-II-W |
DN20 PN1.6 ;PN2.5 PN4.0;PN6.4 PN2.0;PN5.0 |
Welding connection |
|
|
SCXL-II-F |
DN20 PN1.6;PN2.5 PN4.0;PN6.4 PN2.0;PN5.0 |
Flange connection |
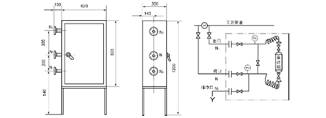
| 2、SCXM closed sampler SCXM closed sampler mainly consists of box, sampling bottle, baffling vat, fast switch wheel, manometer, valve, seals and flange.sampler ■ Structural features Due to fast-switch connection between sampling bottle and process tube by fast-switch wheel, the sampler features easy, fast and convenient operation. ■ Technical parameter and application scope ① SCXM –IA closed liquid sampler ◎ Application scope SCXM closed liquid sampler is suitable to sampling of viscosity liquid medium with toxic, harmful, combustible and explosive features. ◎ Technical parameter Sampling temperature: -20~60 oC Designed pressure: 0~10.0 Mpa; Sampling quantity: 100ml
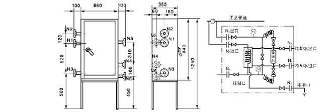
 Notes:N1、N2、N3 orifices refer to DN15 PN1.6~10.0 ② SCXM-IB closed liquid sampler ◎ Application scope SCXM closed liquid sampler is suitable to sampling of viscosity liquid medium with toxic, harmful, combustible and explosive features. ◎ Technical parameter Sampling temperature temperature:-20~400 oC Designed pressure: 0~10.0 Mpa; Sampling quantity: 100ml
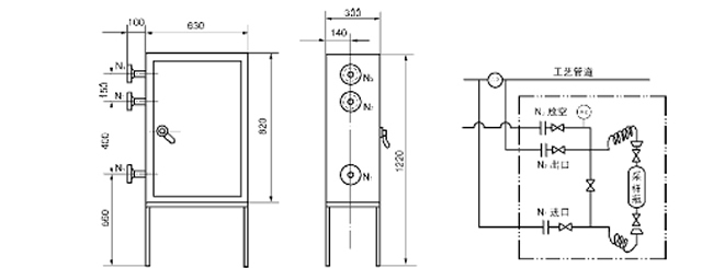
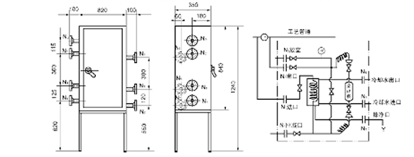
 Notes: N1、N2、N3 orifices refer to DN15 PN1.6~10.0 N4、N5、N6 orifices refer to DN20 PN1.6 ③SCXM-II closed gas sampler ◎ Application scopeSCXM closed gas sampler is suitable to sampling of viscosity liquid medium with toxic, harmful, combustible and explosive features. ◎Technical parameter Sampling temperature: -20~50 oC Designed pressure: 0~10.0 Mpa; Sampling quantity: 200ml~500ml  Notes:N1、N2、N3、N4 orifices refer to DN15 PN1.6~10.0 ④SCXM-IIB closed gas sampler ◎ Application scope SCXM-IIB closed gas sampler is suitable to sampling of viscosity liquid medium with toxic, harmful, combustible and explosive features. ◎Technical parameter Sampling temperature:-20~50 oC Designed pressure: 0~10.0 Mpa; Sampling quantity: 200ml~500ml Notes:N1、N2、N3、N4 orifices refer to DN15 PN1.6~10.0 N5、N6、N7 orifices refer to DN20 PN1.6 Notices for order: 1. Make clear the model of sampler, medium description, pressure and temperature. 2. Make clear the standard of flange.
|
|