Fine bag-type filter
■Product features
Fine bag-type filter consists of a container, the filter bag and support basket with netting on top to form a simple, high efficiency and common use filtering system. The fluids to be filtered enter the bag from top opening. The solids in the liquid will be blocked within the bag so a clean the fluids. Due to it is of convenient usage and reasonable cost, so it is widely used for filtration of petrochemical and chemical products, paint, foodstuff and beverage and sewage treatment. The fine bag-type filter features high flow rate, high filtering accuracy, low costs, easy operation and high speed, which suits to the filtration of grains less than 1000ppm with filtering accuracy from 1to1000μm and liquids with flow rate 1000M3/h.
Denotation of types
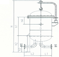
1、SJFB-I single-bag fine filter
|
Type |
Flow m3/h |
Filter Area m2 |
Installation Size |
|
H |
L |
h 1 |
h 2 |
h 3 |
|
SJFB-IA |
18 |
0.24 |
965-1110 |
300 |
380 |
120-265 |
465 |
|
SJFB-IB |
36 |
0.48 |
1230-1725 |
300 |
710 |
0-495 |
695 |
Note:
(1) Flow rate in the table refers to water medium
(2) Equipment working pressure≦1.0Mpa
(3) Dimension of connecting pipe: Dn50, PN1.6
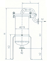
2、SJFB-I multiple-bag fine filter
①SJFB-4 II fine filter with 4 bags
Main technical specifications:
Working pressure≦1.0Mpa
Operating temperature≦2000C
Flow rate: 140m3/h (water)
Dimension of connecting pipe:
Dn100, PN1.6
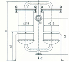
②SJFB-5 -8II fine filter with 5~8 bags
|
Type |
Flow m3/h |
Installation Size |
|
H |
h 1 |
h 2 |
h 3 |
h 4 |
L1 |
L2 |
D |
|
SJFB-5II |
180 |
1800 |
780 |
580 |
200 |
300 |
340 |
520 |
Φ650 |
|
SJFB-6II |
216 |
|
SJFB-7II |
252 |
2050 |
780 |
790 |
290 |
300 |
260 |
500 |
Φ800 |
|
SJFB-8II |
288 |
Notes:
①Flow rate in the figure refers to water flow rate with working pressure≦1.0Mpa
② Specification of pipe connection, SJFB-5, 6 II : DN100, PN1.6, SJFB-7,8 II: DN150, PN1.6,
3、SJFB-III parallel fine filter
|
Type |
Flow m3/h |
Filter Area m2 |
Installation Size |
|
H |
L |
h 1 |
h 2 |
h 3 |
|
SJFB-IIIA |
36 |
0.24 |
1040-1190 |
500 |
380 |
210-360 |
695 |
|
SJFB-IIIB |
72 |
0.48 |
1175-1540 |
850 |
710 |
0-360 |
①Flow rate in the figure refers to water flow rate with working pressure≦1.0Mpa
② Specification of pipe connection for inlet and outlet, PN1.6
Applications:
Petrochemical industry: 1. Filtration of aviation kerosene and lubrication oil; 2. Filtration of the additives of gasoline and fusel oil; 3. Oil products recovery; 4. Filtration of the solvent of petroleum and natural gas dewatering and desulfurization; 5. Liquid and gas filtration for PVC production. |
Water treatment: 1. Removal of grain fro sea water; 2. Resin recovery from ion exchange; 3. Purification of water in the cooling system; 4. Removal of pipe scaling 5. Removal of sand from mining water; 6. Filtration of chemicals used for water treatment; 7. Purification of city water supply; 8. Removal of carbon crystals; 9. Filtration of oil-well filling water and well water. |
Fine chemicals: 1. Recovery of catalytic agent; 2. Removal of crystallized salt from surface active agent; 3. Filtration of x-ray soliquoid; 4. Filtration of detergent; 5. Filtration of modifier material and products. |
Chemicals: 1. Recovery of catalytic agent; 2. Filtration of acid, base and solvent; 3. Removal of carbon ink and filtering –aid agent; 4. Removal of pipe scaling; 5. Filtration of emulsion and soliquoid.
|
Food and beverages: 1. Filtration of polyclar in beer; 2. Polishing filtration of Whiskey, wine and beer; 3. Removal of grain in cooking oil; 4. Removal of carbon in cellulose; 5. Polishing filtration of corn syrup; 6. Filtration of liquid from animal and plant; 7. Polishing filtration of sauce and vinegar; 8. Filtration of paint in the tin can and vat; 9. Filtration of base to wash bottles. |
Coating material and oil paint: 1. Removal of soliquoid; 2. Removal of paint soliquoid; 3. Removal of condensate coagulum in oil paint; 4. Filtration of solvent; 5. Removal of vat dusts; 5. Removal of additives in the ball grinder. |
Coherent slump: 1. Removal of gel from acrylic acid curl; 2. Removal of resin and crystals; 3. Removal of gel coagulum of painting material; 4. Filtration of thermo polymer; 5. Removal of PVA coagulum; |
Table of technical specifications of fine filters
| Project name |
|
|
Sketch |
| Equipment |
Model |
|
| Material |
|
|
Max working press. |
MPa |
| Design pressure |
MPa |
| Max working temp. |
℃ |
| Design temperature |
℃ |
| Medium |
Description |
|
| Flow rate |
|
| Gravity |
|
| Viscosity |
|
| Concentration |
|
| Particle name |
|
| Particle content |
|
Table for connecting pipe and its size |
| Particle grain size |
|
Denotation |
nominal diameter |
nominal pressure |
Sealing type |
connecting standard |
applications |
| If particle to be recovered |
|
|
|
|
|
|
|
| Process |
Filtering accuracy |
μm |
|
|
|
|
|
|
| Permitted pressure loss |
|
|
|
|
|
|
|
| Washing period |
|
|
|
|
|
|
|
| Others |
|
|
|
|
|
|
|
|
Notices for order:
1. There are many types of fine filter with different specifications. Please fill the Table of technical specifications of fine filters correctly and contact our company. We will offer you with proper filters.
2. The connecting flanges for fine filter are made according to the standards HG, HGJ, GB, JB/T, SH or ANSI, JIS. Customers should denote the standard and specifications of flanges to be ordered.
3. Verification of pressure differences in the inlet and outlet of the filter is an important measure to evaluate the filter. We suggest that manometers should be erected on the inlet and outlet of the filter. If remote detecting or warning systems are wanted, please clarify it during ordering.
4. In addition to the products mentioned here, our company can also offer non-standard design and manufacturing.