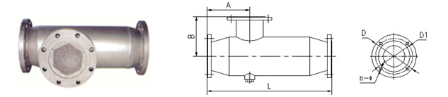
QSH Type Steam water mixer ■ Product features QSH type steam water mixer is a new type of environment protective product, which makes water heat by mixing steam and water. The mixer is characteristic of low noise, vibration-free, high heat-exchanging efficiency and low power consumption, which are widely used in heating systems for heating living and production water and systems for warming and thermal deoxidation. The heater consists of jet nozzle, shell body, mesh plate and rings. When water to be heated passes through the Laval jet nozzle, steam is injected into water through holes on the outside tube wall of the jet nozzle, thus making steam and water mix well in high speed so as to heat water.
■ Product type
|
Type |
QSH-4 |
QSH-6 |
QSH-8 |
QSH-10 |
QSH-12 |
QSH-16 |
QSH-20 |
QSH-24 |
QSH-32 |
QSH-40 |
QSH-48 |
QSH-64 |
|
Erecting Size |
A |
105 |
130 |
220 |
450 |
|
B |
105 |
130 |
170 |
300 |
|
L |
240 |
360 |
660 |
1200 |
|
Flange to connect water |
DN |
40 |
65 |
125 |
250 |
|
Flange to connect steam |
DN |
40 |
65 |
125 |
250 | Steam consumption of open system (Pressure of saturated steam/0.4Mpa) Unit: t/h
|
QSH |
4 |
6 |
8 |
10 |
12 |
16 |
20 |
24 |
32 |
40 |
48 |
|
Rated feeding water |
1.2 |
2.5 |
4.5 |
7.0 |
10 |
16 |
25 |
35 |
60 |
105 |
165 |
|
Heating temperature difference ℃ |
20 |
0.039 |
0.081 |
0.146 |
0.228 |
0.325 |
0.520 |
0.813 |
1.138 |
1.951 |
3.145 |
5.366 |
|
40 |
0.081 |
0.188 |
0.303 |
0.470 |
0.672 |
1.076 |
1.681 |
2.353 |
4.034 |
7.057 |
11.092 |
|
60 |
0.125 |
0.261 |
0.459 |
0.730 |
1.043 |
1.669 |
2.609 |
3.652 |
6.261 |
10.952 |
17.217 |
|
80 |
0.173 |
0.360 |
0.649 |
1.009 |
1.441 |
2.306 |
3.603 |
5.045 |
8.649 |
15.135 |
23.784 | Steam consumption of circular system (Pressure of saturated steam/0.4Mpa) Unit: t/h
|
QSH |
4 |
6 |
8 |
10 |
12 |
16 |
20 |
24 |
32 |
40 |
48 |
|
Rated feeding water |
1.2 |
2.5 |
4.5 |
7.0 |
10 |
16 |
25 |
35 |
60 |
105 |
165 |
|
Heating temperature difference ℃ |
70-95 |
0.054 |
0.112 |
0.201 |
0.312 |
0.446 |
0.714 |
1.116 |
1.562 |
2.678 |
4.687 |
7.366 |
|
70-110 |
0.088 |
0.183 |
0.330 |
0.514 |
0.734 |
1.174 |
1.830 |
2.569 |
4.404 |
7.706 |
12.110 |
|
70-130 |
0.137 |
0.286 |
0.454 |
0.800 |
1.143 |
1.829 |
2.857 |
4.000 |
6.857 |
12.000 |
18.857 |
|
|